2025年10月2日 第2页
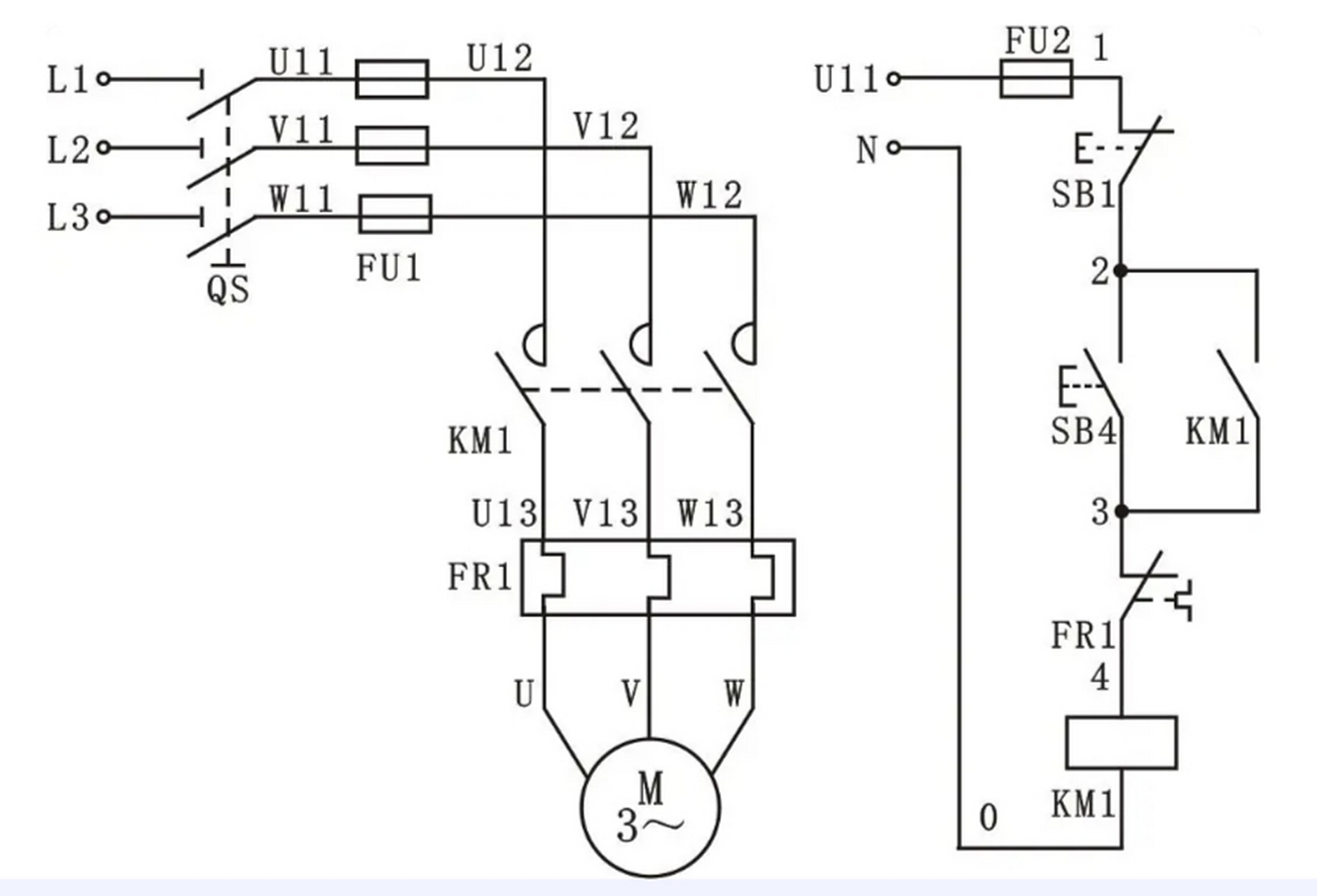
380接触器接线方法

380接触器接线方法

1、1需要准备一个4P空气开关也就是有4个接线端子的开关2把空气开关和220V定时开关接上,也就是空气开关右侧的两根线接在220V定时开关左边的接线端子上3把空气开关和380V交流接触器接上,空气开关左侧的三根线,连...

移动业务如何退订(移动退订业务怎么退订来看方法)

移动业务如何退订(移动退订业务怎么退订来看方法)

移动退订业务怎么退订?来看方法。·打开手机桌面的"中国移动",进入中国移动点击"我的"。·打开我的,点击已定业务,进入已定业务,点选增值业务。...

苹果怎么设置来电闪光灯(iPhone来电闪光灯如何设置盘点那些iPhone的实用技)

苹果怎么设置来电闪光灯(iPhone来电闪光灯如何设置盘点那些iPhone的实用技)

iPhone的使用越来越多的挖掘会出现越来越多的惊喜,其实iPhone在我们背后做了很多事情。下面就来说说iPhone的几个实用的小技巧。...

滴水观音的养殖方法和注意事项有什么

滴水观音的养殖方法和注意事项有什么

盆栽滴水观音的养殖方法和注意事项:滴水观音可以在客厅养吗?有什么注... 1、盆栽滴水观音可以在客厅养,但需要注意以下事项:养殖方法 湿度管理:滴水观音喜湿,生长季节要保持盆土潮湿,空气湿度不低于60%。夏季高温干燥...

海绵宝宝的画法(零基础自学简笔画)

海绵宝宝的画法(零基础自学简笔画)

今日主题:海绵宝宝【使 用工具】樱花针管笔、马可彩铅纸张:普通素描纸即可...

白夜追凶的结局怎么样(年度豆瓣高分悬疑白夜追凶将结局)

白夜追凶的结局怎么样(年度豆瓣高分悬疑白夜追凶将结局)

本周,年度豆瓣高分悬疑网剧《白夜追凶》将迎来大结局。除了案件刺激故事紧凑外,暗灰色调的摄影风格也饱受好评。另外,剧中大量的雨戏、夜戏完美的暗部细节呈现也让观众大呼过瘾。这些都离不开幕后的推手——《白夜追凶》摄影指导刘...

唐老鸭和米老鼠的故事简介

唐老鸭和米老鼠的故事简介

唐老鸭和米老鼠的故事 唐老鸭和米老鼠的故事是关于两位性格迥异却亲密无间的卡通角色的冒险和日常趣事。米老鼠:米老鼠是个乐观、友善、机智且勇敢的角色。他个子虽小,但笑容灿烂,总是乐于助人,拥有许多朋友。米老鼠的快乐和勇敢...

资生堂的护肤品哪个系列最好

资生堂的护肤品哪个系列最好

1、1 资生堂新漾美肌系列适合20+年龄段,主打补水和调理肌肤,适合皮肤干燥毛孔粗大的小仙女们2 资生堂新透白美肌系列适合20+至30+年龄段,主打祛痘印美白淡斑,整套使用美白提亮效果很好3 资生堂红妍肌活精华系列适...

华为share是什么意思

华为share是什么意思

关于华为share是什么意思怎么关闭,华为share是什么意思这个很多人还不知道,今天来为大家解答以上的问题,现在让我们一起来看看吧1华为share英文名Huawei Share OneHop 是华为公司研发的一种传...

标准是什么意思(什么是标准)

标准是什么意思(什么是标准)

有时候,我们经常会看到一些企业宣传自己的产品质量达到了世界先进标准的水平。那什么是标准呢?标,可以理解为记号,譬如路标、标尺、标杆等。...