油烟机如何安装(抽油烟机的安装方法)

油烟机如何安装(抽油烟机的安装方法)

衅昊硕 2025-10-09 系统 16 次浏览 0个评论

1. 抽油烟机安装时的注意事项

1)安装面要有足够的支撑强度,请安装在能承受产品重量的地方,避免抽油烟机掉下。

2)要尽量避免导风管过度弯曲或反复弯曲的现象,否则会影响吸烟排气效果。

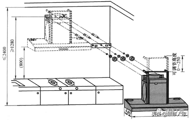
3)导风管不宜太长(1.5m以下为宜),导风管弯曲时会使风压损坏很大,影响吸烟排气效果。

4)为了确保抽油烟机排气效果,使用的灶具宽度最好在抽油烟机宽度之内,灶具中心与抽油烟机中心一致。

5)安装时需尽量保证机身左右水平,以确保油能聚集到油杯里。

6)在密封性良好的建筑物中使用抽油烟机时,应在对面的墙壁上开设一个空气入口,或将门稍开一些,保证空气流通。

7)为确保安全和安装顺利,请使用随机附件进行安装(特别是膨胀螺钉,必须使用随机附件中的)。

8)为避免电源线外露影响美观,建议将电源线插座置于抽油烟机上方装饰板内。

2. 主机安装前的准备工作

1)用八颗尖嘴螺钉(<Mxl2)将导风管接头固定在机身顶部,然后将导风管插入导风管接头槽内(插入约35mm),再用两颗尖嘴螺钉(#4x12)将导风管与导风管接头固定好。导风管的安装如下图所示。

抽油烟机的安装方法

2)用两颗螺钉(M5 x8)将1对左右对称的支持片1与支持片2组合好,如图 所示。

抽油烟机的安装方法

3) 用四颗螺钉(M5x8)将可调支架固定在支持片1与支持片2的组合上。

4) 用两颗M5 x8螺钉将支持片3固定在可调装饰板上,如图所示。

抽油烟机的安装方法

5)用四颗M5 x8螺钉(包括弹簧垫圈、平垫圈)将可调支架固定于抽油烟机上部,注意螺钉不要拧紧,以可调支架可上下移动为宜,如图。

抽油烟机的安装方法

3.悬挂铁架的安装

1) 按安装示意图(见图)尺寸在墙上钻三个合适的孔(孔深大于50mm)。

抽油烟机的安装方法

2) 在三个孔中分别打入三颗M6的膨胀螺钉,其埋入深度为40~50mm(见图),(膨胀螺钉塞入墙时,请勿取下螺母、弹簧垫圈、平垫圈)拧紧螺母,使膨胀螺钉固定于墙中,然后取下螺母、弹簧垫圈、平垫圈,再装上悬挂铁架。最后,用平垫圈、弹簧垫圈、螺母固定悬挂铁架,如图。

抽油烟机的安装方法

4.整机的安装

1) 抬起抽油烟机,将抽油烟机挂到悬挂铁架上。

2) 将两个防倒推支持片套入膨胀螺钉,并用两颗#4x6螺钉将其固定在整机后壁上,如图所示。

抽油烟机的安装方法

3) 往上移动可调支架至天花板(可调支架与天花板保留5〜10mm的间隙),拧紧固定可调支架的四颗螺钉,固定好可调支架,如图。

抽油烟机的安装方法

若没有拧紧螺钉或使用没有带弹簧垫圈、平垫圈的螺钉,可调支架有掉下的危险。

4) 若天花角位处有木装饰条,木装饰条与可调装饰板可能产生干涉,这时请将可 调装饰板两角位处剪掉,如图所示。

抽油烟机的安装方法

5) 将可调装饰板挂在可调支架组合上由外往里推,可调装饰板安装。可调装饰板被推到靠在墙体后,其挂钩应进入可调支架组合上,可调装饰板安装示意二如图所示。此时即使将可调装饰板向上推,它也不会向上移动。

抽油烟机的安装方法

若可调装饰板挂钩没有进入可调支架组合上,这种情况下将可调装饰板向上推则其能向上移动,此时,必须对可调装饰板进行重新固定。

6)将装饰板卡入抽油烟机顶部,并用两颗M4 x 12沉头螺钉固定,如图。

抽油烟机的安装方法

5.拆卸

拆卸步骤与上述安装步骤相反。

转载请注明来自德立,本文标题:《油烟机如何安装(抽油烟机的安装方法)》

每一天,每一秒,你所做的决定都会改变你的人生!

发表评论

快捷回复:

评论列表 (暂无评论,16人围观)参与讨论

还没有评论,来说两句吧...